Font size
Background and font color
Images
Text scoring
Regular version of the site
Veza
+370 520 80 500
+370 520 80 500
Užklausa skambučiui
E-paštas
info@veza-e.lt
Adresas
Švitrigailos g. 11K-109, LT-03228 Vilnius, Lietuva
Darbo laikas
Pirm. - Penkt.: nuo 9:00 iki 18:00
Susisiekite
Įmonė
  • Apie mus
  • Prekės ženklai
  • Rekvizitai
  • Partneriai
Produktai
  • Vožtuvai ir pavaros
    • Rutuliniai vožtuvai higieniniam naudojimui
    • Droseliniai vožtuvai
    • Pavaros
    • Peilinės sklendės
    • Slėgiu valdomi vožtuvai
    • Pneumatiniai solenoidiniai vožtuvai
    • Valdymo vožtuvai
    • Separatoriai
    • Slėgio reduktorių
    • Apsauginis vožtuvas
    • Slėgio išleidimo vožtuvai
    • Vožtuvai be grįžtamojo ryšio
    • Kietųjų dalelių surinktuvai
    • Apžiūros stiklai vamzdžiams
    • Vakuumo pertraukikliai
    • Flanšiniai atbuliniai vožtuvai
    • Lock Release Valves
    • Pressure actuated valves
  • Kondensato puodai
    • Mechaniniai kondensato puodai
    • Termostatiniai kondensato puodai
    • Termodinaminiai kondensato puodai
    • Pumpavimo kondensato puodai
  • Pramoniniai filtrai
    • Suspausto oro filtravimas
    • Sterilus oro ir garų filtravimas
  • Siurbliai maisto pramonei
    • Išcentriniai siurbliai
    • Tūriniai siurbliai
    • Diafragminiai siurbliai
    • Mixers and agitators
  • Šilumokaičiai
    • Priedai slegiu valdomiems voztuvams
    • Gofruotųjų plokščių šilumokaičiai
    • Pramoniniai šilumokaičiai
    • Plokšteliniai šilumokaičiai
    • Korpusiniai ir ričių šilumokaičiai
    • Korpusiniai ir plokščių šilumokaičiai
    • Vamzdeliniai šilumokaičiai
    • Scraped surface
    • Industrial Crossflo
    • Pharmaceutical Pharmaflo
    • Sanitary Mixflo
  • Pneumatinė įranga
    • Pneumatiniai vožtuvai
    • Cilindrai Ir Jų Tvirtinimo Komponentai
    • Tvirtinimo dalys šilumokaičiams
    • Pneumatiniai vamzdeliai
  • Higieninio naudojimo įranga
    • Vožtuvai ir automatika
    • Valdymo įtaisai
    • Vožtuvų įtaisai higieniniam naudojimui
    • Vamzdžiai ir talpyklų priedai
  • Matavimas ir kontrolė
    • Kondensato atskirtuvų valdymo sistema
    • Priedai slegiu valdomiems voztuvams
    • AFROMETRAI
    • ELEKTROMAGNETINIAI SRAUTO MATUOKLIAI
    • SRAUTO MATUOKLIAI IR SKAITIKLIAI
    • LYGIO INDIKATORIAI
    • SLĖGIO MATUOKLIAI
    • SLĖGIO PERDAVIMO ĮTAISAI (rėlės)
    • TEMPERATŪROS ZONDAI
    • TERMOMETRAI
  • Sandarikliai
    • Maišytuvų sandarikliai
    • Kasetiniai mechaniniai sandarikliai
    • Specialūs mechaniniai sandarikliai
    • Standartiniai mechaniniai sandarikliai
  • Atsarginės dalys
    • Alfa Laval Kolding A/S
    • AWH atsarginės dalys
    • Bardiani atsarginės dalys
    • BURKERT GMBH & CO. KG dalys
    • CSF Inox SpA atsarginės dalys
    • END-Armaturen GmbH & Co. KG atsarginės dalys
    • Flowtrend atsarginės dalys
    • Fristam Pumpen KG
    • Gebr. Becker GmbH atsarginės dalys
    • HEXONIC Sp.z.o.o. atsarginės dalys
    • Keofitt atsarginės dalys
    • M&S Armaturen GmbH atsarginės dalys
    • Miyawaki atsarginės dalys
    • MSG Dichtungswerk GmbH atsarginės dalys
    • Reda s.p.a. atsarginės dalys
    • Reda atsarginės dalys
    • SAMSON AG atsarginės dalys
    • Sudmo Components Gmbh
Naujienos
Kontaktai
Dokumentacija
lt
en es ru ge
lt
Švitrigailos g. 11K-109, LT-03228 Vilnius, Lietuva
...
+370 520 80 500
+370 520 80 500
Užklausa skambučiui
E-paštas
info@veza-e.lt
Adresas
Švitrigailos g. 11K-109, LT-03228 Vilnius, Lietuva
Darbo laikas
Pirm. - Penkt.: nuo 9:00 iki 18:00
lt
en es ru ge
lt
Veza
Įmonė
  • Apie mus
  • Prekės ženklai
  • Rekvizitai
  • Partneriai
Produktai
  • Valves and actuators
    Vožtuvai ir pavaros
    • Rutuliniai vožtuvai higieniniam naudojimui
      • Rutuliniai vožtuvai su sriegine jungtimi
      • Rutuliniai vožtuvai su junge
    • Droseliniai vožtuvai
      • Droseliniai vožtuvai valdomi rankiniu būdu
      • Pneumatinės pavaros
      • Elektrinės pavaros
    • Pavaros
      • Pneumatinės pavaros
      • Elektrinės pavaros
      • Priedai slegiu valdomiems voztuvams
    • Peilinės sklendės
      • Peilinės sklendės valdomos rankiniu būdu
      • Peilinės sklendės valdomos pneumatiniu būdu
      • Peilinės sklendės valdomos elektriniu būdu
    • Slėgiu valdomi vožtuvai
    • Pneumatiniai solenoidiniai vožtuvai
    • Valdymo vožtuvai
    • Separatoriai
    • Slėgio reduktorių
    • Apsauginis vožtuvas
    • Slėgio išleidimo vožtuvai
    • Vožtuvai be grįžtamojo ryšio
    • Kietųjų dalelių surinktuvai
    • Apžiūros stiklai vamzdžiams
    • Vakuumo pertraukikliai
    • Flanšiniai atbuliniai vožtuvai
    • Lock Release Valves
    • Pressure actuated valves
    • More
  • Steam traps/Condensate recovery
    Kondensato puodai
    • Mechaniniai kondensato puodai
      • Invertuoti kondensato puodai
      • Rutuliniai plūdiniai kondensato puodai
    • Termostatiniai kondensato puodai
      • Temperatūros valdymo kondensato puodai
      • Diafragminiai kondensato puodai
      • Termoelemento kondensato puodai
      • Kondensato puodai su dviejų varžtų jungtimi
    • Termodinaminiai kondensato puodai
      • Termodinaminio disko kondensato puodai
      • Termodinaminio disko atskirtuvai orui
    • Pumpavimo kondensato puodai
  • Filters
    Pramoniniai filtrai
    • Suspausto oro filtravimas
      • Suspausto oro filtrai (rinkiniai)
      • Filtrų korpusai
      • Ultrafiltrų elementai
    • Sterilus oro ir garų filtravimas
      • Proceso filtravimas
      • Garų srauto filtrai
      • Sterilus filtras 0,2 µm
      • Sterile Filtration (Liquids & Gases)
  • Pumps
    Siurbliai maisto pramonei
    • Išcentriniai siurbliai
      • Sertifikuoti išcentriniai siurbliai
      • Vandens žiedo išcentriniai siurbliai
      • Kelių etapų išcentriniai siurbliai
      • Periferiniai išcentriniai siurbliai
      • Vieno etapo su spyruokle išcentriniai siurbliai
      • Apdirbto metalo išcentriniai siurbliai
      • Savaime prisipildantys išcentriniai siurbliai
    • Tūriniai siurbliai
      • Ekscentrinis varžtas tūriniams siurbliams
      • Dvigubas varžtas tūriniams siurbliams
      • Sertifikuoti tūriniai siurbliai EHEDG/3A
      • Pneumatiniai tūriniai siurbliai
      • Sinusoidinis rotorius tūriniams siurbliams
    • Diafragminiai siurbliai
      • Diafragminiai siurbliai ATEX
      • Diafragminiai siurbliai FOOD
    • Mixers and agitators
      • Portable mixers
      • Side Stirrers
      • Vertical Agitators
  • Heat exchangers
    Šilumokaičiai
    • Priedai slegiu valdomiems voztuvams
      • Varžtai
      • Surinkimo indai šilumokaičiams
      • Tvirtinimo dalys šilumokaičiams
      • Izoliavimo medžiagos šilumokaičiams
      • Montavimo dalys šilumokaičiams
      • Profesionalus „DeSCAL“ kalkių šalinimo įtaisas
      • Apsauginiai korpusai šilumokaičiams
      • RDS sistema šilumokaičiams
    • Gofruotųjų plokščių šilumokaičiai
    • Pramoniniai šilumokaičiai
    • Plokšteliniai šilumokaičiai
    • Korpusiniai ir ričių šilumokaičiai
    • Korpusiniai ir plokščių šilumokaičiai
    • Vamzdeliniai šilumokaičiai
    • Scraped surface
    • Industrial Crossflo
    • Pharmaceutical Pharmaflo
    • Sanitary Mixflo
    • More
  • Pneumatic equipment
    Pneumatinė įranga
    • Pneumatiniai vožtuvai
      • Mechaniškai valdomi vožtuvai
      • Vožtuvai montavimui skyduose
      • Svirtimi valdomi vožtuvai
      • Pneumatiškai valdomi vožtuvai
      • Pneumatiniai solenoidiniai vožtuvai
      • Skirstytuvų plokštės
    • Cilindrai Ir Jų Tvirtinimo Komponentai
      • Suspaudimo cilindrai
      • Kompaktiniai cilindrai ISO 21287
      • Kompaktiniai cilindrai UNITOP
      • Cilindrų priedai
      • Cilindrai su NAMUR sąsaja
      • Mini cilindrai
      • Profiliniai cilindrai
      • Apvalūs cilindrai
      • Apvalūs cilindrai ISO 6432
      • Trumpos eigos cilindrai
      • Sujungimo trauklės cilindrai
    • Tvirtinimo dalys šilumokaičiams
    • Pneumatiniai vamzdeliai
      • Fluoropolymer
      • Other products
      • Polyamide tubing
      • Polyethylene
      • Polyurethane tubes
  • Equipment for hygienic application
    Higieninio naudojimo įranga
    • Vožtuvai ir automatika
      • Dvigubo lizdo vožtuvai
      • Vieno lizdo vožtuvai
      • Droseliniai vožtuvai
      • Aukšto slėgio vožtuvai
      • Moduliniai vožtuvai
      • Rutuliniai vožtuvai higieniniam naudojimui
    • Valdymo įtaisai
    • Vožtuvų įtaisai higieniniam naudojimui
    • Vamzdžiai ir talpyklų priedai
      • DAUGIAFUNKCIAI KORPUSAI
      • Apžiūros stiklai vamzdžiams
  • Measurement and control
    Matavimas ir kontrolė
    • Kondensato atskirtuvų valdymo sistema
    • Priedai slegiu valdomiems voztuvams
      • DIAFRAGMOS SANDARIKLIAI
      • „THERMOWELL“ SVEIKATOS PRIEŽIŪRAI
      • „THERMOWELL“ SU SRIEGINE JUNGTIMI
    • AFROMETRAI
    • ELEKTROMAGNETINIAI SRAUTO MATUOKLIAI
    • SRAUTO MATUOKLIAI IR SKAITIKLIAI
    • LYGIO INDIKATORIAI
    • SLĖGIO MATUOKLIAI
    • SLĖGIO PERDAVIMO ĮTAISAI (rėlės)
    • TEMPERATŪROS ZONDAI
    • TERMOMETRAI
  • Shaft seals
    Sandarikliai
    • Maišytuvų sandarikliai
    • Kasetiniai mechaniniai sandarikliai
    • Specialūs mechaniniai sandarikliai
    • Standartiniai mechaniniai sandarikliai
  • Spare parts
    Atsarginės dalys
    • Alfa Laval Kolding A/S
    • AWH atsarginės dalys
    • Bardiani atsarginės dalys
    • BURKERT GMBH & CO. KG dalys
    • CSF Inox SpA atsarginės dalys
    • END-Armaturen GmbH & Co. KG atsarginės dalys
    • Flowtrend atsarginės dalys
      • Alfa Laval
      • GEA Tuchenhagen
      • Higieninės atsarginės dalys Alfa Laval
      • Higieninės atsarginės dalys AMPCO
      • Higieninės atsarginės dalys Definox
      • SPX / APV atsarginės dalys
      • Südmo atsarginės dalys
      • WCB atsarginės dalys
    • Fristam Pumpen KG
    • Gebr. Becker GmbH atsarginės dalys
    • HEXONIC Sp.z.o.o. atsarginės dalys
    • Keofitt atsarginės dalys
    • M&S Armaturen GmbH atsarginės dalys
    • Miyawaki atsarginės dalys
    • MSG Dichtungswerk GmbH atsarginės dalys
    • Reda s.p.a. atsarginės dalys
    • Reda atsarginės dalys
    • SAMSON AG atsarginės dalys
    • Sudmo Components Gmbh
    • More
Naujienos
Kontaktai
Dokumentacija
    Susisiekite
    Veza
    +370 520 80 500
    +370 520 80 500
    Užklausa skambučiui
    E-paštas
    info@veza-e.lt
    Adresas
    Švitrigailos g. 11K-109, LT-03228 Vilnius, Lietuva
    Darbo laikas
    Pirm. - Penkt.: nuo 9:00 iki 18:00
    lt
    en es ru ge
    lt
    Search
    Susisiekite
    Veza
    Telephones
    +370 520 80 500
    Užklausa skambučiui
    Veza
    • Įmonė
      • Įmonė
      • Apie mus
      • Prekės ženklai
      • Rekvizitai
      • Partneriai
    • Produktai
      • Produktai
      • Vožtuvai ir pavaros
        • Vožtuvai ir pavaros
        • Rutuliniai vožtuvai higieniniam naudojimui
          • Rutuliniai vožtuvai higieniniam naudojimui
          • Rutuliniai vožtuvai su sriegine jungtimi
          • Rutuliniai vožtuvai su junge
        • Droseliniai vožtuvai
          • Droseliniai vožtuvai
          • Droseliniai vožtuvai valdomi rankiniu būdu
          • Pneumatinės pavaros
          • Elektrinės pavaros
        • Pavaros
          • Pavaros
          • Pneumatinės pavaros
          • Elektrinės pavaros
          • Priedai slegiu valdomiems voztuvams
        • Peilinės sklendės
          • Peilinės sklendės
          • Peilinės sklendės valdomos rankiniu būdu
          • Peilinės sklendės valdomos pneumatiniu būdu
          • Peilinės sklendės valdomos elektriniu būdu
        • Slėgiu valdomi vožtuvai
        • Pneumatiniai solenoidiniai vožtuvai
        • Valdymo vožtuvai
        • Separatoriai
        • Slėgio reduktorių
        • Apsauginis vožtuvas
        • Slėgio išleidimo vožtuvai
        • Vožtuvai be grįžtamojo ryšio
        • Kietųjų dalelių surinktuvai
        • Apžiūros stiklai vamzdžiams
        • Vakuumo pertraukikliai
        • Flanšiniai atbuliniai vožtuvai
        • Lock Release Valves
        • Pressure actuated valves
      • Kondensato puodai
        • Kondensato puodai
        • Mechaniniai kondensato puodai
          • Mechaniniai kondensato puodai
          • Invertuoti kondensato puodai
          • Rutuliniai plūdiniai kondensato puodai
        • Termostatiniai kondensato puodai
          • Termostatiniai kondensato puodai
          • Temperatūros valdymo kondensato puodai
          • Diafragminiai kondensato puodai
          • Termoelemento kondensato puodai
          • Kondensato puodai su dviejų varžtų jungtimi
        • Termodinaminiai kondensato puodai
          • Termodinaminiai kondensato puodai
          • Termodinaminio disko kondensato puodai
          • Termodinaminio disko atskirtuvai orui
        • Pumpavimo kondensato puodai
      • Pramoniniai filtrai
        • Pramoniniai filtrai
        • Suspausto oro filtravimas
          • Suspausto oro filtravimas
          • Suspausto oro filtrai (rinkiniai)
          • Filtrų korpusai
          • Ultrafiltrų elementai
        • Sterilus oro ir garų filtravimas
          • Sterilus oro ir garų filtravimas
          • Proceso filtravimas
          • Garų srauto filtrai
          • Sterilus filtras 0,2 µm
          • Sterile Filtration (Liquids & Gases)
      • Siurbliai maisto pramonei
        • Siurbliai maisto pramonei
        • Išcentriniai siurbliai
          • Išcentriniai siurbliai
          • Sertifikuoti išcentriniai siurbliai
          • Vandens žiedo išcentriniai siurbliai
          • Kelių etapų išcentriniai siurbliai
          • Periferiniai išcentriniai siurbliai
          • Vieno etapo su spyruokle išcentriniai siurbliai
          • Apdirbto metalo išcentriniai siurbliai
          • Savaime prisipildantys išcentriniai siurbliai
        • Tūriniai siurbliai
          • Tūriniai siurbliai
          • Ekscentrinis varžtas tūriniams siurbliams
          • Dvigubas varžtas tūriniams siurbliams
          • Sertifikuoti tūriniai siurbliai EHEDG/3A
          • Pneumatiniai tūriniai siurbliai
          • Sinusoidinis rotorius tūriniams siurbliams
        • Diafragminiai siurbliai
          • Diafragminiai siurbliai
          • Diafragminiai siurbliai ATEX
          • Diafragminiai siurbliai FOOD
        • Mixers and agitators
          • Mixers and agitators
          • Portable mixers
          • Side Stirrers
          • Vertical Agitators
      • Šilumokaičiai
        • Šilumokaičiai
        • Priedai slegiu valdomiems voztuvams
          • Priedai slegiu valdomiems voztuvams
          • Varžtai
          • Surinkimo indai šilumokaičiams
          • Tvirtinimo dalys šilumokaičiams
          • Izoliavimo medžiagos šilumokaičiams
          • Montavimo dalys šilumokaičiams
          • Profesionalus „DeSCAL“ kalkių šalinimo įtaisas
          • Apsauginiai korpusai šilumokaičiams
          • RDS sistema šilumokaičiams
        • Gofruotųjų plokščių šilumokaičiai
        • Pramoniniai šilumokaičiai
        • Plokšteliniai šilumokaičiai
        • Korpusiniai ir ričių šilumokaičiai
        • Korpusiniai ir plokščių šilumokaičiai
        • Vamzdeliniai šilumokaičiai
        • Scraped surface
        • Industrial Crossflo
        • Pharmaceutical Pharmaflo
        • Sanitary Mixflo
      • Pneumatinė įranga
        • Pneumatinė įranga
        • Pneumatiniai vožtuvai
          • Pneumatiniai vožtuvai
          • Mechaniškai valdomi vožtuvai
          • Vožtuvai montavimui skyduose
          • Svirtimi valdomi vožtuvai
          • Pneumatiškai valdomi vožtuvai
          • Pneumatiniai solenoidiniai vožtuvai
          • Skirstytuvų plokštės
        • Cilindrai Ir Jų Tvirtinimo Komponentai
          • Cilindrai Ir Jų Tvirtinimo Komponentai
          • Suspaudimo cilindrai
          • Kompaktiniai cilindrai ISO 21287
          • Kompaktiniai cilindrai UNITOP
          • Cilindrų priedai
          • Cilindrai su NAMUR sąsaja
          • Mini cilindrai
          • Profiliniai cilindrai
          • Apvalūs cilindrai
          • Apvalūs cilindrai ISO 6432
          • Trumpos eigos cilindrai
          • Sujungimo trauklės cilindrai
        • Tvirtinimo dalys šilumokaičiams
        • Pneumatiniai vamzdeliai
          • Pneumatiniai vamzdeliai
          • Fluoropolymer
          • Other products
          • Polyamide tubing
          • Polyethylene
          • Polyurethane tubes
      • Higieninio naudojimo įranga
        • Higieninio naudojimo įranga
        • Vožtuvai ir automatika
          • Vožtuvai ir automatika
          • Dvigubo lizdo vožtuvai
          • Vieno lizdo vožtuvai
          • Droseliniai vožtuvai
          • Aukšto slėgio vožtuvai
          • Moduliniai vožtuvai
          • Rutuliniai vožtuvai higieniniam naudojimui
        • Valdymo įtaisai
        • Vožtuvų įtaisai higieniniam naudojimui
        • Vamzdžiai ir talpyklų priedai
          • Vamzdžiai ir talpyklų priedai
          • DAUGIAFUNKCIAI KORPUSAI
          • Apžiūros stiklai vamzdžiams
      • Matavimas ir kontrolė
        • Matavimas ir kontrolė
        • Kondensato atskirtuvų valdymo sistema
        • Priedai slegiu valdomiems voztuvams
          • Priedai slegiu valdomiems voztuvams
          • DIAFRAGMOS SANDARIKLIAI
          • „THERMOWELL“ SVEIKATOS PRIEŽIŪRAI
          • „THERMOWELL“ SU SRIEGINE JUNGTIMI
        • AFROMETRAI
        • ELEKTROMAGNETINIAI SRAUTO MATUOKLIAI
        • SRAUTO MATUOKLIAI IR SKAITIKLIAI
        • LYGIO INDIKATORIAI
        • SLĖGIO MATUOKLIAI
        • SLĖGIO PERDAVIMO ĮTAISAI (rėlės)
        • TEMPERATŪROS ZONDAI
        • TERMOMETRAI
      • Sandarikliai
        • Sandarikliai
        • Maišytuvų sandarikliai
        • Kasetiniai mechaniniai sandarikliai
        • Specialūs mechaniniai sandarikliai
        • Standartiniai mechaniniai sandarikliai
      • Atsarginės dalys
        • Atsarginės dalys
        • Alfa Laval Kolding A/S
        • AWH atsarginės dalys
        • Bardiani atsarginės dalys
        • BURKERT GMBH & CO. KG dalys
        • CSF Inox SpA atsarginės dalys
        • END-Armaturen GmbH & Co. KG atsarginės dalys
        • Flowtrend atsarginės dalys
          • Flowtrend atsarginės dalys
          • Alfa Laval
          • GEA Tuchenhagen
          • Higieninės atsarginės dalys Alfa Laval
          • Higieninės atsarginės dalys AMPCO
          • Higieninės atsarginės dalys Definox
          • SPX / APV atsarginės dalys
          • Südmo atsarginės dalys
          • WCB atsarginės dalys
        • Fristam Pumpen KG
        • Gebr. Becker GmbH atsarginės dalys
        • HEXONIC Sp.z.o.o. atsarginės dalys
        • Keofitt atsarginės dalys
        • M&S Armaturen GmbH atsarginės dalys
        • Miyawaki atsarginės dalys
        • MSG Dichtungswerk GmbH atsarginės dalys
        • Reda s.p.a. atsarginės dalys
        • Reda atsarginės dalys
        • SAMSON AG atsarginės dalys
        • Sudmo Components Gmbh
    • Naujienos
    • Kontaktai
    • Dokumentacija
    Susisiekite
    • lt
      • Language
      • lt
      • en
      • es
      • ge
      • ru
    • +370 520 80 500
      • Telephones
      • +370 520 80 500
      • Užklausa skambučiui
    • Švitrigailos g. 11K-109, LT-03228 Vilnius, Lietuva
    • info@veza-e.lt
    • Pirm. - Penkt.: nuo 9:00 iki 18:00

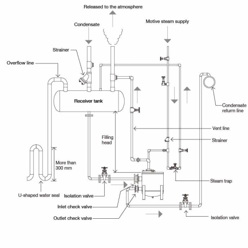
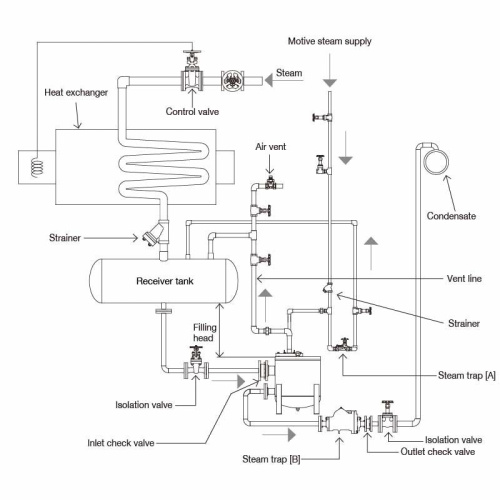
    Kondensato puodas Miyawaki GLP81E

    Namai
    —
    Katalogas
    —
    Kondensato puodai
    —
    Pumpavimo kondensato puodai
    —Kondensato puodas Miyawaki GLP81E
    Kondensato puodas Miyawaki GLP81E
    Užsisakyti
    Art. GLP81E
    Užsisakyti
    Užduokite klausimą
    Gamintojo garantija
    Pumping Traps Miyawaki GLP81E
    Pumping Traps Miyawaki GLP81E
    Pumping Traps Miyawaki GLP81E
    Pumping Traps Miyawaki GLP81E
    Pumping Traps Miyawaki GLP81E
    Pumping Traps Miyawaki GLP81E
    Pumping Traps Miyawaki GLP81E
    Pumping Traps Miyawaki GLP81E
    Pumping Traps Miyawaki GLP81E
    Pumping Traps Miyawaki GLP81E
    Pumping Traps Miyawaki GLP81E
    Pumping Traps Miyawaki GLP81E
    (0)
    Charakteristikos
    Max. Operating Pressure
    —
    1,05 MPa
    Max. Operating Temperature
    —
    185℃
    Max. Discharge Capacity
    —
    Saturated Steam: 8,0t/h; Compressed air: 8,0t/h
    Miyawaki
    All items of brand Miyawaki
    Kondensato puodas Miyawaki GLP81E
    Užsisakyti
    Art. GLP81E
    Užsisakyti
    Užduokite klausimą
    Gamintojo garantija
    • Description
    • Dokumentai
    • Kaip įsigyti
    • Mokėjimas
    • Pristatymas
    a:2:{s:4:"TEXT";s:2179:"

    Aukštos kokybės pramoninė įranga ir atsarginės dalys įvairioms reikmėms "Veža Equipment" yra pirmaujanti aukštos kokybės pramoninės įrangos ir atsarginių dalių tiekėja įmonėms Lietuvoje ir visame Baltijos regione. Siūlome platų produktų asortimentą, įskaitant: Pramonines sklendes ir jungiamąsias detales įvairioms terpėms Garo ir kondensato surinkimo įrangą Higieninės sklendės ir siurbliai maisto, pieno, gėrimų, farmacijos, kosmetikos, tabako pramonei higieninių vožtuvų, siurblių ir šilumokaičių atsarginės dalys Šilumokaičiai įvairioms pramonės šakoms (ŠVOK, šaldymo, maisto, farmacijos, energetikos, baseinų įrengimo, naftos aušinimo, chemijos, naftos perdirbimo, naftos chemijos pramonei) Filtravimo sistemos, skirtos oro, garo, techninių dujų ir skysčių priemaišoms šalinti Procesų kontrolės prietaisai, skirti pramoniniams procesams stebėti ir reguliuoti Platus pneumatinės įrangos, skirtos gamybos automatizavimui, asortimentas Bendradarbiaujame su patikimų gamintojų tinklu, siekdami užtikrinti, kad savo klientams siūlytume geriausius įmanomus gaminius ir paslaugas. Taip pat siūlome platų priedų ir montavimo paslaugų asortimentą, kad galėtumėte kuo geriau išnaudoti savo įrangos galimybes. Nesvarbu, ar jums reikia konkrečios atsarginės dalies, ar norite atnaujinti visą sistemą, "Veža Equipment" gali padėti rasti tinkamą sprendimą. Siūlome konkurencingas kainas, greitą pristatymą ir ekspertų patarimus, kad užtikrintume, jog savo investicijas išnaudosite maksimaliai. Štai keletas "Veža Equipment" privalumų: Aukštos kokybės pramoniniai gaminiai iš pirmaujančių gamintojų Konkurencingos kainos ir puikus kainos ir kokybės santykis Greitas pristatymas visoje Lietuvoje ir Baltijos regione Mūsų patyrusios komandos specialistų patarimai ir pagalba Platus priedų ir montavimo paslaugų asortimentas Jei ieškote aukštos kokybės pramoninės įrangos ir atsarginių dalių, ieškokite tik "Veža Equipment". Mes esame jūsų vieno langelio principu veikianti parduotuvė visiems jūsų pramoniniams poreikiams patenkinti.

    ";s:4:"TYPE";s:4:"HTML";}
    Dokumentai
    series-GL
    2,6 MB
    Jei norite įsigyti gaminių mūsų parduotuvėje

    1. Užsisakykite gaminius (parašydami mums ar užpildydami formą interneto svetainėje, būtinai nurodykite norimą mokėjimo būdą).
    2. Apmokėkite sąskaitą.
    3. Gavęs apmokėjimą į įmonės sąskaitą, vadybininkas su jumis susisieks dėl pristatymo.

    Jei negavote prekių, susisiekite su internetinės parduotuvės vadybininku telefonu ar el. paštu. Vadybininkai atsakys į visus jūsų klausimus.
    Mokėjimas
    Kainos nurodomos pagal užklausą.

    Mokėjimai tik ne grynaisiais pinigais
    Visus mūsų parduotuvės gaminius galite įsigyti sumokėdami banko pavedimu.
    1. Užsisakykite gaminius (parašydami mums ar užpildydami formą interneto svetainėje, būtinai nurodykite norimą mokėjimo būdą).
    2. Apmokėkite sąskaitą.
    3. Gavęs apmokėjimą į įmonės sąskaitą, vadybininkas su jumis susisieks dėl pristatymo.

    Jei negavote prekių, susisiekite su internetinės parduotuvės vadybininku telefonu ar el. paštu. Vadybininkai atsakys į visus jūsų klausimus.

    Grąžinimas
    Galite grąžinti visas ar dalį užsisakytų prekių nurodydami priežastį per 14 dienų nuo prekių įsigijimo kvito datos. Pinigai jums bus grąžinti per 10–14 darbo dienų.

    Jei norite atsisakyti prekių ar jas grąžinti, informuokite el. paštu info@veza-e.lt ar telefonu, nurodytu svetainėje.

    Geros kokybės prekių grąžinimas

    Grąžinamos prekės turi būti geros kokybės. Jums grąžinsime tik už prekes sumokėtą sumą. Pristatymo ir grąžinimo išlaidos nėra grąžinamos. Jei grąžinate dalį prekių, užsakymo siuntimo išlaidos nėra grąžinamos.

    Turite teisę grąžinti geros kokybės prekes, jei netinka jų dydis, ar dėl kitų kriterijų šiomis sąlygomis:

    Prekės ir pakuotė turi būti originalios (pakuotė, plombos, etiketės negali būti pažeistos).
    Būtina pateikti įsigijimą ir nurodytų prekių įsigijimo aplinkybes patvirtinantį dokumentą (pardavimo ar grynųjų pinigų priėmimo kvitą, sąskaitą).
    Grąžinimo formos pateikimo terminas negali būti ilgesnis nei 14 dienų nuo užsakymo gavimo dienos.
    Gaminys negali būti įtrauktas į negrąžinamų prekių sąrašą.

    Netinkamos kokybės prekių grąžinimas
    Grąžinant netinkamos kokybės prekes, klientui grąžinama visa sumokėta prekių kaina, pristatymo ir grąžinimo išlaidos. Jei grąžinama užsakymo dalis, užsakymo siuntimo išlaidos klientui negrąžinamos.

    Netinkamos kokybės gaminys reiškia gaminį su defektais, kai negalima užtikrinti jo funkcinių savybių. Netinkamos kokybės prekės taip pat apima prekes, kurias klientas grąžina dėl neatitikimo su tuo, kas buvo užsakyta (prekės pavadinimas, kokybė). Elementų ar prekių dizaino neatitikimas su svetainėje pateiktu aprašu nereiškia, kad gaminiai yra nekokybiški.
    Pristatome prekes per trumpiausią įmanomą terminą.
    Atsiėmimo galimybė susitarus iš anksto.
    Jei norite greitai gauti savo užsakymą, turite jį suformuoti ir iš karto apmokėti.
    Mūsų įmonė bendradarbiauja tik su patikimais vežėjais ir kurjeriais. Pristatome visoje Lietuvoje.
    Panašios prekės
    Pumping Traps Miyawaki GLP81E Pumping Traps Miyawaki GLP81E Pumping Traps Miyawaki GLP81E Pumping Traps Miyawaki GLP81E Pumping Traps Miyawaki GLP81E
    Pumpavimo kondensato puodai
    Kondensato puodas Miyawaki GLP81E
    Užsisakyti
    Art. GLP81E
    Užsisakyti
    Pumping Traps Miyawaki GLP81-A Pumping Traps Miyawaki GLP81-A Pumping Traps Miyawaki GLP81-A Pumping Traps Miyawaki GLP81-A Pumping Traps Miyawaki GLP81-A
    Pumpavimo kondensato puodai
    Kondensato puodas Miyawaki GLP81-A
    Užsisakyti
    Art. GLP81-A
    Užsisakyti
    Pumping Traps Miyawaki GL81E Pumping Traps Miyawaki GL81E Pumping Traps Miyawaki GL81E Pumping Traps Miyawaki GL81E Pumping Traps Miyawaki GL81E
    Pumpavimo kondensato puodai
    Kondensato puodas Miyawaki GL81E
    Užsisakyti
    Art. GL81E
    Užsisakyti
    Pumping Traps Miyawaki GL81 Pumping Traps Miyawaki GL81 Pumping Traps Miyawaki GL81 Pumping Traps Miyawaki GL81 Pumping Traps Miyawaki GL81
    Pumpavimo kondensato puodai
    Kondensato puodas Miyawaki GLP81E
    Užsisakyti
    Art. GL81
    Užsisakyti
    Užduokite klausimą
    Produktai
    Įmonė
    Kontaktai
    lt
    en es ru ge
    lt
    +370 520 80 500
    +370 520 80 500
    Užklausa skambučiui
    E-paštas
    info@veza-e.lt
    Adresas
    Švitrigailos g. 11K-109, LT-03228 Vilnius, Lietuva
    Darbo laikas
    Pirm. - Penkt.: nuo 9:00 iki 18:00
    info@veza-e.lt
    Švitrigailos g. 11K-109, LT-03228 Vilnius, Lietuva
    Pristatome prekes per trumpiausią įmanomą terminą. Atsiėmimo galimybė susitarus iš anksto. Jei norite greitai gauti savo užsakymą, turite jį suformuoti ir iš karto apmokėti. Mūsų įmonė bendradarbiauja tik su patikimais vežėjais ir kurjeriais. Pristatome visoje Lietuvoje.
    © 2026 VEŽA EQUIPMENT
    Privatumo politika
    Cookies & Privacy Policy
    We use cookies (and other similar technologies) to provide a more relevant browsing experience on our site and personalize content and advertising on our site and other websites. By using our website, you're agreeing to the collection, use, and disclosure of data as described in our Privacy Policy.
    Accept